- 企業類型:貿易商
- 新舊程度:全新
- 原產地:美國
- 工作壓力:-
- 安裝尺寸:-
美國威格士油缸資料,BSDG4V396L12M1PE7H711
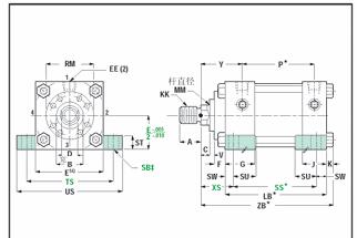
重型高拉伸強度的系桿,帶有軋制螺紋
整體式,高強度球墨鑄鐵活塞,強度和支承特性好
高強度自鎖活塞螺母
標準銷軸經過電鍍,耐腐蝕
標準的大規格彈簧卡圈
填充玻璃的特氟隆活塞密封件,帶O-形
威格士油缸資料,BSDG4V396L12M1PE7H711


威格士油缸資料,BSDG4V396L12M1PE7H711
O-形圈缸筒密封件,帶擋圈, 密封效果好
耐磨的聚氨酯橡膠活塞桿拭塵圈,延長
活塞桿密封件的壽命
缸上標記著件號和制造日期,用于識別
高強度球墨鑄鐵材料的無桿端缸頭
可拆卸的球墨鑄鐵材料的雙耳環,
帶螺釘鎖緊機構
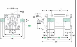
氣缸,使用腈橡膠唇形活塞桿密封件、腈橡膠
雙唇活塞桿拭塵圈和丁腈橡膠唇形活塞密封件,缸
筒內徑鍍鉻層 .0003/.0005" 厚,采用 NPTF 氣口。
HR5:液壓缸,使用聚氨酯橡膠 “超級密封” 的活塞桿密
封件、腈橡膠雙唇活塞桿拭塵圈和腈橡膠唇形
活塞密封件,缸筒內徑鍍鉻層 .0003/.0005" 厚,采用 SAE 油口。
LR5:氣缸,具有 R5 的所有特征,還通過在活塞和活塞
桿密封件的 “V” - 形溝槽中注入二硫化鉬潤滑脂來使元件長期潤滑。
Hydro-Line 的小型簧片開關和霍爾效應開關適用于所用缸
徑規格的 A5 系列缸,這些開關由環繞裝在缸活塞上的磁
條來起動,來自開關的信號用于作為可編程控制器、定序器、
繼電器的輸入,有些情況用于驅動閥的電磁鐵。技術規格
見 C-30 至 C-31 頁。R5 系列缸不適用。
各種的缸位置傳感和反饋器件有貨。這種封裝的
缸系統能夠用于任何要求缸行程全長反饋的應用場合 - 氣動或液壓,粗缸徑或細缸徑,長行程或短行程,
液壓缸是將液壓能轉變為機械能的、
做直線往復運動(或擺動運動)
的液壓執行元件。它結構簡單、
工作可靠。用它來實現往復運動時,
可免去減速裝置,并且沒有傳動間隙,
運動平穩,因此在各種機械的液壓系統中得到廣泛應用。
液壓缸輸出力和活塞有效面積及其兩邊的壓差成正比;
液壓缸基本上由缸筒和缸蓋、活塞和活塞桿、
美國威格士油缸資料,BSDG4V396L12M1PE7H711






詢價














